Hi,
I flashed the Toradex Embedded Linux Reference Multimedia Image 7.3.0 (build.8, 2025-07-03) on a Toradex SMARC IMX95 SOM V1.0 on a SMARC development board 1.1A.
I’m using a DSI to HDMI adapter (1.1) and I enabled the overlay:
root@toradex-smarc-imx95-12593653:/boot/overlays# uname -r
6.6.94-7.3.0
root@toradex-smarc-imx95-12593653:/boot# cat overlays.txt
fdt_overlays=toradex-smarc-imx95_dsi-to-hdmi_overlay.dtbo
However, there is no output from the HDMI port of the DSI adapter. The Lontium DSI to HDMI bridge seems to be working (it is detected on the I2C bus, the driver probes it, and the resolutions are provided to Weston) but any HDMI displays stay completely black. The same adapter works on a Verdin iMX95 kit.
Attached the log from Weston.
The 10 inches LVDS display works correctly after enabling the correct overlay and removing the J95 jumper from the development board.
Any suggestion?
Thanks!
weston.log (9.9 KB)
Hi, I’m the Toradex AI Assistant.
I might make mistakes. Our support team will step in if needed. If I answered your question, please tick the “Solution” checkbox. For follow-up questions to me, please use @ToradexAI in your post.
Did you like my answer?

Hello and thank you for your detailed description!
You’re using the correct setup with the SMARC iMX95 and the DSI to HDMI adapter, along with the appropriate overlay (toradex-smarc-imx95_dsi-to-hdmi_overlay.dtbo). Since the bridge is detected on I2C, the driver is working, and Weston sees available resolutions, your hardware setup appears correct.
Given that:
- The same DSI to HDMI adapter works on a Verdin iMX95 kit.
- LVDS output is functional (when configured).
- HDMI displays remain black on the SMARC setup.
This strongly points to a display pipeline or configuration issue, possibly related to differences in how displays are referenced between SMARC and Verdin modules.
Here are some recommendations to help troubleshoot further:
-
Check for Overlay Conflicts:
Ensure no other display overlays (such as LVDS or eDP overlays) are enabled together with the DSI to HDMI overlay. Conflicting overlays might misconfigure the display pipeline or panel assignment.
Reference: Device Tree Overlays for Peripherals
-
Connector and Hardware Verification:
Double-check the DSI to HDMI adapter is securely connected to the proper MIPI DSI mezzanine connector on your SMARC carrier board. Even small connection issues might result in no output.
-
Monitor/Cable Sanity Check:
Try swapping HDMI cables and/or monitors to rule out external compatibility issues.
-
Weston Configuration and Device Tree Nodes:
The device tree node names and references on the SMARC iMX95 differ from other modules like Verdin (for example, the display controller node names). If you have custom overlays or have modified /etc/xdg/weston/weston.ini, ensure the correct output names/IDs are referenced, as this can affect which display is selected as the primary output.
Reference: Display Output Configuration on i.MX 8/9 Based Modules
-
Review Weston Log:
If you see lines in the weston log indicating connectors are detected and modes listed, but the log warns of connector failures or no appropriate mode being set, please double-check the display timings in your device tree, or try explicitly specifying the resolution and refresh rate in the weston configuration.
-
Power Cycling:
Ensure the system is fully powered down and powered up after making overlay or hardware changes, as hot-plugging or soft reboots may not fully reset the display pipeline.
Would you like any help interpreting something specific in the weston.log, or do you have any custom device tree or weston configurations in place?
Best regards,
Toradex AI Assistant.
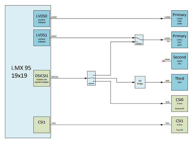
Hi @roberto_s
This is a bit confusing, but you can refer to the section “Display Solution SMARC iMX95”.
Basically, the display output is an assembly option.
In the SMARC iMX95 Hexa 8GB Wi-Fi / Bluetooth IT, by default, there is no DSI interface, and these pins are routed to DP, so there is no DSI signal routed to the DSI adapter.