Dear all,
I´m trying to config the KSZ9563 switch in the device tree of my verdin am62 on a custom carrier board. However, my device tree setup doesn´t seem to work has supposed.
tdx-info:
Software summary
------------------------------------------------------------
Bootloader: U-Boot
Kernel version: 6.6.58-7.1.0-gf874412b7190 #1-Torizon SMP PREEMPT Fri Dec 6 14:07:48 UTC 2024
Kernel command line: root=LABEL=otaroot rootfstype=ext4 quiet logo.nologo vt.global_cursor_default=0 plymouth.ignore-serial-consoles splash fbcon=map:3 ostree=/ostree/boot.1/torizon/85bc54782c663b8559251f0dd5ef9c708b64f87b12bdc99c9fc27c7eceb6bb19/0 CONFIG_KSZ9477=y
Distro name: NAME="Torizon OS"
Distro version: VERSION_ID=7.1.0-build.4
Distro variant: VARIANT="Docker"
Hostname: verdin-am62-15363911
------------------------------------------------------------
Hardware info
------------------------------------------------------------
HW model: Texas Instruments K3 AM625 SoC
Toradex version: 0073 V1.1B
Serial number: 15363911
Processor arch: aarch64
------------------------------------------------------------
For device tree configuration, the following lines have been change on the k3-am62-verdin-dev.dtsi:
/* Verdin ETHs */
&cpsw3g {
pinctrl-names = "default";
pinctrl-0 = <&pinctrl_rgmii1>, <&pinctrl_rgmii2>;
status = "okay";
};
/* MDIO, shared by Verdin ETH_1 (On-module PHY) and Verdin ETH_2_RGMII */
&cpsw3g_mdio {
status = "okay";
cpsw3g_phy1: ethernet-phy@0 {
compatible = "microchip,ksz9563";
reg = <0>;
interrupt-parent = <&main_gpio0>;
interrupts = <38 IRQ_TYPE_EDGE_FALLING>;
pinctrl-names = "default";
pinctrl-0 = <&pinctrl_eth2_rgmii_int>;
micrel,led-mode = <0>;
ethernet-ports {
#address-cells = <1>;
#size-cells = <0>;
port@0 {
reg = <0>;
label = "lan1";
};
port@1 {
reg = <1>;
label = "lan2";
};
port@2 {
reg = <2>;
label = "cpu"; /* SoM communication port */
ethernet = <&cpsw_port2>;
phy-mode = "rgmii";
fixed-link {
speed = <100>;
full-duplex;
};
};
};
};
};
/* Verdin ETH_1 (On-module PHY) */
&cpsw_port1 {
status = "okay";
};
/* Verdin ETH_2_RGMII */
&cpsw_port2 {
phy-handle = <&cpsw3g_phy1>;
phy-mode = "rgmii-rxid";
status = "okay";
};
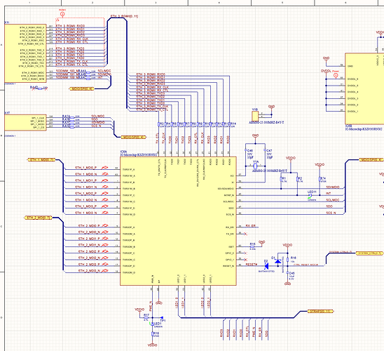
The carrier board hardware, as shown below, has the SOM as the MAC and the switch Port 3 has the PHY:
After flashing the am62 verdin the the boot output is the following:
U-Boot SPL 2024.04-ti-gf498936e31ec (Jan 01 1970 - 00:00:00 +0000)
SYSFW ABI: 4.0 (firmware rev 0x000a '10.1.8--v10.01.08 (Fiery Fox)')
Changed A53 CPU frequency to 1250000000Hz (T grade) in DT
SPL initial stack usage: 13424 bytes
Trying to boot from MMC1
Authentication passed
Authentication passed
Authentication passed
Loading Environment from nowhere... OK
init_env from device 9 not supported!
Authentication passed
Authentication passed
Starting ATF on ARM64 core...
NOTICE: BL31: v2.11.0(release):v2.11.0-906-g58b25570c9-dirty
NOTICE: BL31: Built : 00:00:00, Jan 1 1970
U-Boot SPL 2024.04-ti-gf498936e31ec (Jan 01 1970 - 00:00:00 +0000)
SYSFW ABI: 4.0 (firmware rev 0x000a '10.1.8--v10.01.08 (Fiery Fox)')
SPL initial stack usage: 1904 bytes
Trying to boot from MMC1
Authentication passed
Authentication passed
U-Boot 2024.04-ti-gf498936e31ec (Jan 01 1970 - 00:00:00 +0000)
SoC: AM62X SR1.0 HS-FS
DRAM: 1 GiB
Core: 145 devices, 31 uclasses, devicetree: separate
MMC: mmc@fa10000: 0, mmc@fa00000: 1
Loading Environment from MMC... OK
i2c_write: error waiting for data ACK (status=0x116)
get_tdx_eeprom: cannot find EEPROM by node
MISSING TORADEX CARRIER CONFIG BLOCKS
i2c_write: error waiting for data ACK (status=0x116)
get_tdx_eeprom: cannot find EEPROM by node
In: serial@2800000
Out: serial@2800000
Err: serial@2800000
Model: Toradex 0073 Verdin AM62 Dual 1GB ET V1.1B
Serial#: 15363911
am65_cpsw_nuss ethernet@8000000: K3 CPSW: nuss_ver: 0x6BA01103 cpsw_ver: 0x6BA81103 ale_ver: 0x00290105 Ports:2
Net:
Warning: ethernet@8000000port@1 MAC addresses don't match:
Address in ROM is 1c:63:49:1f:c2:85
Address in environment is 00:14:2d:ea:6f:47
eth0: ethernet@8000000port@1 [PRIME]Could not get PHY for mdio@f00: addr 7
am65_cpsw_nuss_port ethernet@8000000port@2: phy_connect() failed
Hit any key to stop autoboot: 0
MMC: no card present
switch to partitions #0, OK
mmc0(part 0) is current device
Scanning mmc 0:1...
Found U-Boot script /boot.scr
969 bytes read in 10 ms (93.8 KiB/s)
## Executing script at 90280000
7019 bytes read in 11 ms (623 KiB/s)
72119 bytes read in 13 ms (5.3 MiB/s)
39 bytes read in 11 ms (2.9 KiB/s)
Working FDT set to 90200000
Applying Overlay: custom-kargs_overlay.dtbo
192 bytes read in 11 ms (16.6 KiB/s)
11059985 bytes read in 187 ms (56.4 MiB/s)
13160245 bytes read in 177 ms (70.9 MiB/s)
Uncompressing Kernel Image to 0
## Flattened Device Tree blob at 90200000
Booting using the fdt blob at 0x90200000
Working FDT set to 90200000
Loading Ramdisk to 98259000, end 98ee5f35 ... OK
Loading Device Tree to 0000000098224000, end 0000000098258fff ... OK
Working FDT set to 98224000
Starting kernel ...
[ 1.073065] rtc-ds1307 0-0032: hctosys: unable to read the hardware clock
[ 1.098377] pca953x 1-0021: failed writing register
Starting systemd-udevd version 255.13^
sysroot.readonly configuration value: 0 (fs writable: 1)
Using legacy ostree bind mount for /
[ 13.652663] ina2xx 1-0040: error configuring the device: -121
[ 13.714192] nau8822 1-001a: Failed to issue reset: -121
[ 14.488454] platform 78000000.r5f: error -ENODEV: mbox_request_channel failed
[ 14.495653] k3_r5_rproc bus@f0000:bus@b00000:r5fss@78000000: k3_r5_cluster_rproc_init failed, ret = -19
Torizon OS 7.1.0+build.4 verdin-am62-15363911 ttyS2
For what I can see PHY can´t connect am65_cpsw_nuss_port ethernet@8000000port@2: phy_connect() failed and after boot it does not appear as an ethernet device after run ifconfig -a:
docker0: flags=4099<UP,BROADCAST,MULTICAST> mtu 1500
inet 172.17.0.1 netmask 255.255.0.0 broadcast 172.17.255.255
ether 02:42:0f:5e:1d:bb txqueuelen 0 (Ethernet)
RX packets 0 bytes 0 (0.0 B)
RX errors 0 dropped 0 overruns 0 frame 0
TX packets 0 bytes 0 (0.0 B)
TX errors 0 dropped 0 overruns 0 carrier 0 collisions 0
lo: flags=73<UP,LOOPBACK,RUNNING> mtu 65536
inet 127.0.0.1 netmask 255.0.0.0
inet6 ::1 prefixlen 128 scopeid 0x10<host>
loop txqueuelen 1000 (Local Loopback)
RX packets 10 bytes 1654 (1.6 KiB)
RX errors 0 dropped 0 overruns 0 frame 0
TX packets 10 bytes 1654 (1.6 KiB)
TX errors 0 dropped 0 overruns 0 carrier 0 collisions 0
Even after forcing the device to be up, which returns SIOCSIFFLAGS: No such device.
I hope you could give me some insights on the device tree setup so that the some recognizes the switch and can connect phy.
If any other info is need, ask me.
Thank you in advance!
Regards,
Carla
