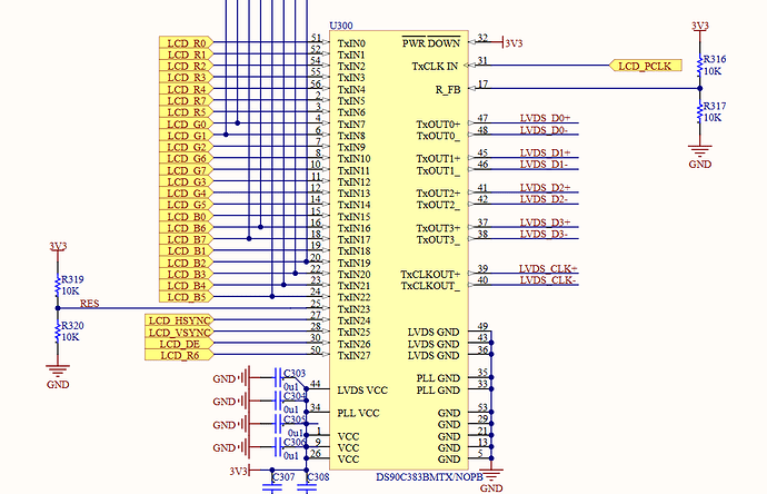
Hello, we’re having a display issue with an imx6dl colibri and an LVDS screen with an RGB->LVDS converter like on the carrier board.
The resolution is correct, but the screen is displayed in red . Here’s the overlay, and it’s loaded correctly at startup…
// SPDX-License-Identifier: GPL-2.0-or-later OR MIT
/*
* Copyright 2022 Toradex
*/
// Enable the parallel RGB interface on the Colibri iMX6 and the
// LVDS transceiver on the Iris v2.0A with a connected capacitive
// touch 10.1" LVDS display.
#include <dt-bindings/gpio/gpio.h>
#include <dt-bindings/interrupt-controller/irq.h>
#include <dt-bindings/media/video-interfaces.h>
/dts-v1/;
/plugin/;
/ {
compatible = "toradex,colibri_imx6dl";
};
/* Active le rétroéclairage */
&backlight {
compatible = "pwm-backlight";
pwms = <&pwm3 0 50000 0>; /* exemple : PWM3, période 50 000 ns */
brightness-levels = <0 32 64 96 128 160 192 224 255>;
default-brightness-level = <8>;
status = "okay";
};
/* Interface LCD principale */
&lcd_display {
interface-pix-fmt = "RGB24";
default_bpp = <24>;
status = "okay";
};
/* Configuration du panneau LVDS via DS90C383B */
&panel_dpi {
compatible = "panel-dpi";
status = "okay";
width-mm = <330>;
height-mm = <210>;
data-mapping = "vesa-24"; /* ou "jeida-24" selon ton convertisseur LVDS */
bus-width = <24>;
/* Timings LVDS 1024x600 */
panel-timing {
clock-frequency = <52000000>;
hactive = <1024>;
vactive = <600>;
hsync-len = <16>;
hfront-porch = <64>;
hback-porch = <64>;
vsync-len = <8>;
vfront-porch = <8>;
vback-porch = <8>;
hsync-active = <0>;
vsync-active = <0>;
de-active = <1>;
pixelclk-active = <0>;
};
};
&gpio3 {
lvds-gpio-sodimm81 {
gpio-hog;
gpios = <29 GPIO_ACTIVE_HIGH>; /* SODIMM 81 */
line-name = "LVDS_GPIO_SODIMM_81";
output-high;
};
};
&pwm3 {
status = "okay";
};
One thing that seems abnormal :
cat /sys/class/graphics.fb0/bits_per_pixel
16
Shouldn’t it display 24?
I’ve tried several overlay configurations, but no improvements; the screen remains red.
I am stuck , could you help us ?
Thanks
Seb

