Behaviour of CTRL_FORCE_OFF_MOCI on Verdin iMX8M-Plus and AM62

Hello,

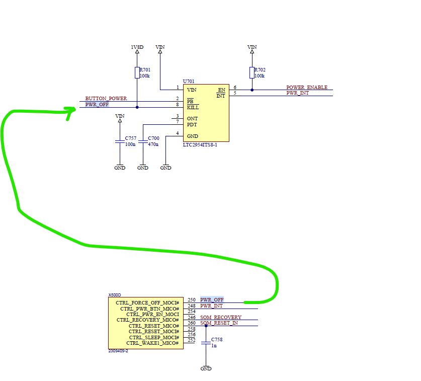
On AM62, when I reboot the device (reboot command in the bash) causes CTRL_FORCE_OFF_MOCI to go low which kills the external power regulator on our custom carrier board. Then I have to push the power button to turn on the device back.

We were using the same circuit for iMX8M-Plus and reboot was rebooting as expected.

On AM62, is the behaviour of the pin changed somehow?

Thanks.

Hi, I’m the Toradex AI Assistant.

I might make mistakes. Our support team will step in if needed. If I answered your question, please tick the “Solution” checkbox. For follow-up questions to me, please use @ToradexAI in your post.

Did you like my answer? :+1: :-1:


Hello,

Thank you for your detailed explanation! Based on the documentation and your description, the behavior of the CTRL_FORCE_OFF_MOCI# signal does indeed vary across Verdin modules.

On the Verdin iMX8M Plus, CTRL_FORCE_OFF_MOCI# is specifically delayed during a reset/reboot cycle to prevent the external regulator from being powered off (reference). This ensures your system remains powered during a software reboot.

However, on some other modules—most notably older Verdin iMX8M Mini versions—the CTRL_FORCE_OFF_MOCI# pin is asserted (goes low) during a reset, which immediately powers down the external regulator, requiring a manual intervention via the power button to restore operation (iMX8M Mini reference).

For the Verdin AM62, it appears the behavior is similar to those older modules:

  • During a reboot, CTRL_FORCE_OFF_MOCI# goes low and cuts the main power, which is why your carrier board’s regulator is turned off, and you must press the power button to restart.

This is a module-specific behavior, not an issue with your carrier board or software configuration.

What can you do?

  • As recommended in the Verdin Family Specification and various carrier board designs, custom carrier boards should implement a “blanking circuit” that ignores/filters the CTRL_FORCE_OFF_MOCI# signal for the first 400 ms during power-on (and potentially during short reset cycles), to prevent unwanted shutdowns in these cases (carrier board guidelines, Dahlia carrier board errata).

Summary:

  • The AM62 module does behave differently compared to the iMX8M Plus. During reboot (software reset), it asserts CTRL_FORCE_OFF_MOCI#, powering off your external regulator.
  • Your circuit may need to implement the recommended blanking/ignore functionality for better compatibility with all Verdin modules.

Please review the AM62 module’s datasheet and consider updating your carrier board’s control logic for full compatibility.

If you need more detailed design advice regarding the blanking/filtering circuit implementation or software strategies for sequence management, feel free to ask!

Best regards,
Toradex AI Assistant.

References:

Hello @Fide,

Which version of the Verdin AM62 module do you have?
Also, which version of the BSP are you testing?

Some related fixes were made after V1.1A and also in newer BSP versions.

Best Regards,
Bruno

Hi Bruno,

The SOM is Verdin AM62 Q 2GB WB IT v1.2A.

root@verdin-am62-15564021:~# tdx-info

Software summary
------------------------------------------------------------
Bootloader:               U-Boot
Kernel version:           6.6.93-7.3.0-devel #1 SMP PREEMPT Thu Aug 14 12:31:22 UTC 2025
Kernel command line:      root=PARTUUID=64676d86-02 ro rootwait console=tty1 console=ttyS2,115200
Distro name:              NAME="TDX Wayland with XWayland"
Distro version:           VERSION_ID=7.3.0-devel-20250613150431-build.0
Distro variant:           -
Hostname:                 verdin-am62-15564021
------------------------------------------------------------

Hardware info
------------------------------------------------------------
HW model:                 XXXXXX REFERENCE BOARD using Verdin AM62
Toradex version:          0076 V1.2A
Serial number:            15564021
Processor arch:           aarch64

Regards,
MF

I wasn’t able to reproduce your issue using the Verdin AM62 Q 2GB WB IT V1.2A (0076) on the Verdin Development Board. The CTRL_FORCE_OFF_MOCI# signal remained HIGH (inactive) during a reboot triggered by the reboot -f command. It only went LOW after executing the shutdown command.

I was using TDX Wayland with XWayland 7.3.0+build.8 (scarthgap)

1 Like

Hello @Fide,
The CTRL_FORCE_OFF_MOCI# signal is directly controlled by the PMIC without any software influence. I believe that in your case the residual voltage protection of the PMIC is being triggered during the reset, which is causing the PMIC to shutdown.

If the PMIC can read residual voltages in any of its buck or LDO outputs, this will prevent the initialization sequence. Residual voltages can be a result from backfeeding from the carrier board to the module. This can explain why there’s a difference between our Development Board and your custom board.

Could you try disconnecting all external cables (Ethernet, USB, display, UART, etc) to your carrier board and see if the issue is still reproducible? If the issue is not repdoducible anymore, try reconnecting them one by one. If this test doesn’t show positive results, we will have to discuss how to proceed.

Best regards,
Rafael

1 Like

Hi Rafael,

I have updated the BSP to 7.4.0 but couldn’t test it yet. I will test it on our board tomorrow.
I will also look hardware for any back feeding (this maybe the issue for us) and let you know.

Thank you for the clarification.
MF

Hi @rafael.tx,

Upgrading BSP to 7.4.0 didn’t solve the problem.

However, as you pointed out, it was indeed a backfeeding issue.
We had a mistake in the schematics: the LED rails were connected to 3V3, but for the Verdin family they should be 1V8. After removing R516 and R517, the reboot command started working as expected.

Thank you for your helps.
MF

Hello @Fide,
Great that you found the solution!

Best regards,
Rafael

1 Like