Hi
We have a board with Colibri imx6dl and add an external codec sgtl5000 for extended Audio ports.
with the same audio signal level to the “line in” pin, we get a different level
the external codec level is double of internal
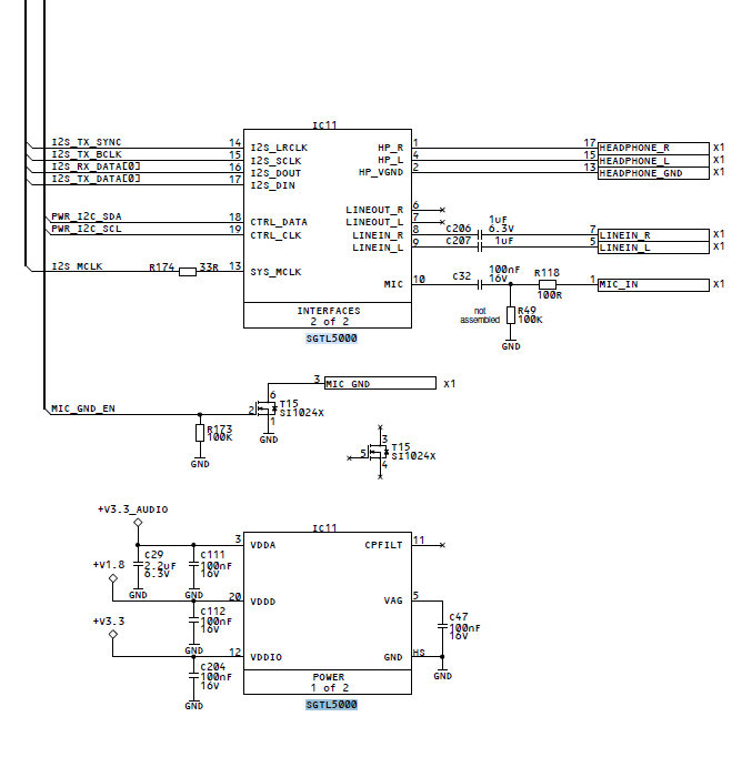
here is the sch of our external codec
According to the Typical Application Schematic (please refer to SGTL5000 datasheet) the internal codec has 1uF decoupling capacitors on the input lines while your design doesn’t have them . The difference in levels may be caused by this fact. Otherwise , please check your software settings.
Hi
I have that Cap on another sheet of my Schematic
also, I check the level of signal on the Pin of external codec and on the pin of SOM ( Colibri imx6 dl)
the capture levels in alsamixer are the same, with no specific software, I test With “arecord” command
Does it mean that your issue was resolved?
No.
I meant the level of capture in alsamixer is the same
Unfortunately I can’t say anything concrete about your partially published schematic.
Please check how it was done internally on Colibri iMX6 module:
I couldn’t find out and solve problem.
the Level is different and the sch and hardware is same.
it should be about ALSA, driver,… . please let me have your support.
Hi @kavevso !
On Linux, you get 2 different volume levels: the amplifier gain and the digital gain.
Did you check both?
Best regards,
I’d try if you publish a full schematic snippet that includes all components related to the soundtrack. You can send you schematic to support@toradex.com if you wish to have it private.
Hello @kavevso,
did you send already the information to support@toradex.com ?
Best Regards,
Matthias
Hello @kavevso,
did you send your schematic already to the support email?
Do you still need support?
Best Regards,
Matthias
do you still need any help or can i close this ticket ?
Best Regards,
Matthias
Hi
Yes, Do you have an PDF file that Kevin Forward to you for Design review
With ticket 2023070610000101.
It is the same
Tnx
Kave
![]()
yes,
Best Regards,
Matthias Gohlke


