Hi, I’m the Toradex AI Assistant.
I might make mistakes or occasionally get you wrong. Our support team will step in if needed.
Based on the Verdin iMX8M Plus V1.1 datasheet, I can help answer your questions about exposing SAI pins for your project.
SAI Pin Availability Analysis
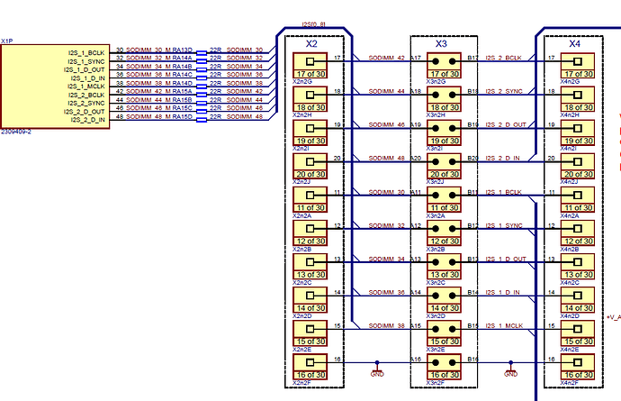
Looking at the datasheet’s Table 55: Standard Digital Audio Port Signals, the Verdin iMX8M Plus provides two standard I2S interfaces that are compatible with other modules(1):
I2S_1 (SAI1) Interface:
- Pin 36: I2S_1_D_IN (SAI1_RX_DATA0)
- Pin 34: I2S_1_D_OUT (SAI1_TX_DATA0)
- Pin 32: I2S_1_SYNC (SAI1_TX_SYNC)
- Pin 30: I2S_1_BCLK (SAI1_TX_BCLK)
- Pin 38: I2S_1_MCLK (SAI1_MCLK)(1)
I2S_2 (SAI3) Interface:
- Pin 48: I2S_2_D_IN (SAI3_RX_DATA0)
- Pin 46: I2S_2_D_OUT (SAI3_TX_DATA0)
- Pin 44: I2S_2_SYNC (SAI3_TX_SYNC)
- Pin 42: I2S_2_BCLK (SAI3_TX_BCLK)(1)
Answering Your Questions
1. Easier Pin Tracking
The datasheet is indeed the authoritative source for pin mapping. The Table 17: SoC Pins Mapping in the V1.1 datasheet provides comprehensive pin multiplexing information(2). While the Pinout Designer tool helps visualize options, the datasheet tables remain essential for detailed pin assignments.
2. Pin Header Availability
Based on the pin assignments shown in the datasheet, the standard I2S signals (I2S_1 and I2S_2) are available on the main X1 connector pins, not exclusively on the X17 MIPI DSI header(1). However, some additional SAI instances may require alternate function configurations that could conflict with other interfaces.
3. Off-the-Shelf Breakout Solutions
The Zinnia Carrier Board is mentioned as a full-featured carrier board that provides access to most Verdin SoM interfaces and is intended as a production platform(3). While the documentation indicates it’s designed to expose module interfaces, specific details about SAI pin access on standard headers are not fully detailed in the available sources.
Recommendation
For your specific requirements with 5 SAI pins (MCLK, TX_BCLK, TX_DATA0, TX_DATA1, TX_SYNC), I recommend:
- Use the standard I2S_1 interface which provides 4 of your required signals on standard X1 pins
- Check if TX_DATA1 can be accessed through alternate SAI1 functions
- Consider the Zinnia Carrier Board as it’s specifically designed as a production platform with comprehensive interface access
To get precise information about pin availability on specific carrier boards and any available breakout solutions, I recommend using the tdx-info command on your system and checking the detailed carrier board documentation at Getting Device Information with Tdx-Info | Toradex Developer Center
Best regards, Toradex AI Assistant.
Did you like my answer?

If I answered your question, please tick the “Solution” checkbox.
For follow-up questions to me, please use @ToradexAI in your post.